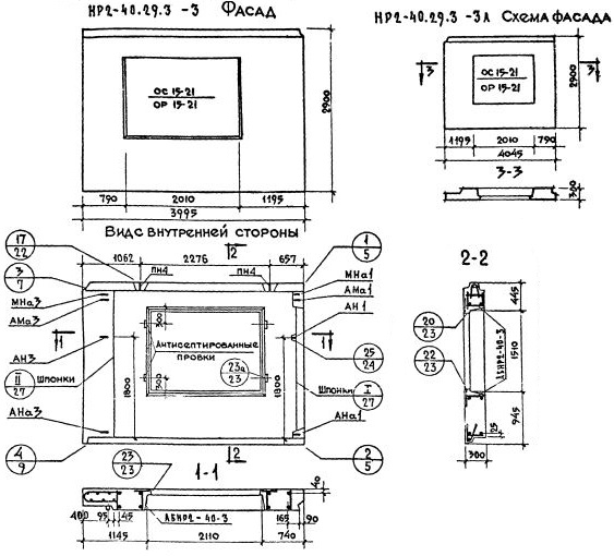
НР2-40.29.3-3л

Чертеж изделия:
Характеристики изделия:
ПараметрЗначение
Длина3995 мм
Ширина300 мм
Высота2900 мм
Масса3350 кг
Нормативный документСерия 1.132-1
Цена:
Рассчитать стоимость

НР2-40.29.3-3л   Наружная стеновая панель рядовая по Серии 1.132-1.